HOME
  Security
   Software
    Hardware
  
FPGA
  CPU
   Android
    Raspberry Pi
  
nLite
  Xcode
   etc.
    ALL
  
LINK
BACK
 

2021/11/07

QMK firmwareで本当の自作キーボードを簡単に作る方法 QMK firmwareで本当の自作キーボードを簡単に作る方法

(QMK firmware easily create 4x4 matrix own original keyboard)

Tags: [電子工作], [QMK]




● QMK firmwareの関連記事


2021/08/23
QMK firmwareの開発環境を ラズパイや Windows WSLにセットアップする方法
QMK firmwareの開発環境を ラズパイや Windows WSLにセットアップする方法

  ラズパイや Windows WSL環境でカスタマイズ キーボードのファームウェア QMK firmwareの開発環境を構築

2022/01/09
BUFFALOの USB テンキーを Pro Microと QMKを使って VIAカスタマイズ キーボードに改造する方法
BUFFALOの USB テンキーを Pro Microと QMKを使って VIAカスタマイズ キーボードに改造する方法

  BUFFALO USB 10-Key keyboard BSTK100 modification by Pro Micro and QMK firmware VIA

2021/08/11
社畜のキーボード「新入社員の同期」を購入してみた!! VIA、QMK、Remapでのカスタマイズに対応
社畜のキーボード「新入社員の同期」を購入してみた!! VIA、QMK、Remapでのカスタマイズに対応

  キー内容が Remap等でカスタマイズ可能な社畜のキーボード「新入社員の同期」を 3500円で購入


● QMK firmwareで本当の自作キーボードを作る方法

 4x4のキーボード部分はモジュール基板を買いました。だって手配線するの面倒なんだもん。

今回購入


ACEIRMC Pro Micro ATmega32U4 5V/16MHz Arduino用 互換マイクロコントローラ Micro USB 開発ボード (3個セット)


ASIN: B08HC9KHJC

KeeYees Pro Micro ATmega32U4 5V/16MHz 互換マイクロコントローラ Micro USB 開発ボード (3個)


ASIN: B07Q4VRT36

KKHMF 2個 Leonardo Pro Micro ATmega32U4 5V/16MHz ブートローダ マイクロ USB Pro Mini 開発ボード Arduinoに対応


ASIN: B081DY1NWW

VKLSVAN Pro Micro USB ATmega32U4 5V/16MHz マイクロコントローラ Micro USB 開発ボード Arduinoに対応


ASIN: B086GPX434

今回購入


uxcell 4 x 4マトリックス16キーパッドキーボードモジュール 16ボタンMcu Arduino用


ASIN: B07R464KRC

16キー 4 x 4 膜 スイッチキーパッド マトリックスアレイ マトリックスキーボード 用 77*70mm (5個)


ASIN: B07B2TCJGR
秋月電子通商
4×3キーパッド作成キット
秋月電子通商
Pmod KYPD Pmod16キーパッド


● QMK firmwareで本当の自作キーボードを作る方法

FREEWING-JP / qmk_firmware / test_audio
 自作キーボードのテストのソースリスト一式。

● QMK firmwareの自作キーボードの回路図

・QMK firmwareの Audio機能の回路図
QMK firmwareの Audio機能の回路図
 4x4のマトリクスで 16キー入力のサンプルプログラムも兼ねています。

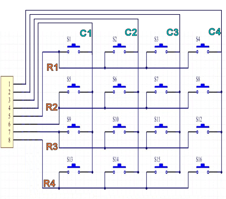
・4 x 4マトリックス16キーパッドキーボードモジュール 16ボタンの回路図
4 x 4マトリックス16キーパッドキーボードモジュール 16ボタンの回路図



● QMK firmwareの Audio機能の動画
QMK Firmware Audio test with Pro Micro and Piezo Buzzer


・QMK firmwareで本当の自作キーボードを作る方法
QMK firmwareで本当の自作キーボードを作る方法


QMK firmwareで本当の自作キーボードを作る方法


QMK firmwareで本当の自作キーボードを作る方法


QMK firmwareで本当の自作キーボードを作る方法


QMK firmwareで本当の自作キーボードを作る方法


QMK firmwareで本当の自作キーボードを作る方法


QMK firmwareで本当の自作キーボードを作る方法


QMK firmwareで本当の自作キーボードを作る方法


QMK firmwareで本当の自作キーボードを作る方法


QMK firmwareで本当の自作キーボードを作る方法



● QMK firmwareの Audio機能の動画
 ブザーを I/O端子に直結の場合と 1kΩの抵抗を入れた場合とでの音量の比較。
 I/O端子は +5V動作です。

QMK Firmware Audio Volume test with Pro Micro and Piezo Buzzer



●その他の QMK キーボードの試作品

 Quantum Mechanical Keyboard
 ・Piezo Buzzer = Passive
 他励振タイプ(パッシブ、受身)の圧電ブザーの Audio機能の確認

 ・Analog Joystick = PSP-2000 compatible
 PSP-2000互換のアナログ ジョイスティックによるマウス操作、ゲームコントローラ操作

 ・OLED Display = I2C SSD1306 128x32
 I2C接続の有機 LEDディスプレイ SSD1306 128x32の表示確認

Hand Wired QMK Firmware test with Pro Micro and Buzzer Analog Joystick OLED SSD1306




Tags: [電子工作], [QMK]

●関連するコンテンツ(この記事を読んだ人は、次の記事も読んでいます)

【自由工作】市販のキーボードを無改造で VIA QMK化する Keyboard Quantizerを自作する【夏休み】
【自由工作】市販のキーボードを無改造で VIA QMK化する Keyboard Quantizerを自作する【夏休み】

  夏休みが明けたら 僕のキーボードが最強になって クラスのみんなから MMK 大作戦

BUFFALOの USB テンキーを Pro Microと QMKを使って VIAカスタマイズ キーボードに改造する方法
BUFFALOの USB テンキーを Pro Microと QMKを使って VIAカスタマイズ キーボードに改造する方法

  BUFFALO USB 10-Key keyboard BSTK100 modification by Pro Micro and QMK firmware VIA

QMK firmwareの開発環境を ラズパイや Windows WSLにセットアップする方法
QMK firmwareの開発環境を ラズパイや Windows WSLにセットアップする方法

  ラズパイや Windows WSL環境でカスタマイズ キーボードのファームウェア QMK firmwareの開発環境を構築

QMK firmwareでプログラムのサイズを小さくするテクニック、ケチケチ プログラミングの方法
QMK firmwareでプログラムのサイズを小さくするテクニック、ケチケチ プログラミングの方法

  QMK firmware How to Reduce Program Size、Reducing QMK firmware size

QMK firmwareで I/Oピンが足りない場合にデコーダ、デマルチプレクサを使用して IOを拡張する解決方法
QMK firmwareで I/Oピンが足りない場合にデコーダ、デマルチプレクサを使用して IOを拡張する解決方法

  QMK firmware expand I/O for many matrix keyboard、How to use IO Expander Multiplexer / Demultiplexer / Decoder

QMK firmwareで I/Oピンが足りない場合に I2Cの GPIOエキスパンダを使用して IOを拡張する解決方法
QMK firmwareで I/Oピンが足りない場合に I2Cの GPIOエキスパンダを使用して IOを拡張する解決方法

  QMK firmware expand I/O for many matrix keyboard、How to use I2C GPIO Expander PCF8574 and PCF8575

QMK firmwareで Audio機能を試してみる
QMK firmwareで Audio機能を試してみる

  QMK firmware test Audio function with Piezo buzzer

QMK firmwareで OLED機能で SSD1306を試してみる
QMK firmwareで OLED機能で SSD1306を試してみる

  QMK firmware test OLED Driver with SSD1306

QMK firmwareで Analog Stick機能で PSP2000用アナログ ジョイスティックを試してみる
QMK firmwareで Analog Stick機能で PSP2000用アナログ ジョイスティックを試してみる

  QMK firmware test Analog Joystick function with PSP2000 Analog Stick

最新の QMK firmwareで new_keyboard.shのコマンドが動かなくなったのを修正する方法
最新の QMK firmwareで new_keyboard.shのコマンドが動かなくなったのを修正する方法

  QMK Bugfix Create New Keyboard new_keyboard.sh command No such file or directory Error

QMK firmwareの Githubを forkした自分のリモートに pushすると怒られて pushできない場合の対応方法
QMK firmwareの Githubを forkした自分のリモートに pushすると怒られて pushできない場合の対応方法

  refusing to allow an OAuth App to create or update workflow `.github/workflows/api.yml` without `workflow` scope

中華製の格安なプログラマブル USBキーボードを買ってみた QMK VIAとは別物
中華製の格安なプログラマブル USBキーボードを買ってみた QMK VIAとは別物

  中華製のプログラマブル USBキーボード KeyboardSetter.exe

社畜のキーボード「新入社員の同期」を購入してみた!! VIA、QMK、Remapでのカスタマイズに対応
社畜のキーボード「新入社員の同期」を購入してみた!! VIA、QMK、Remapでのカスタマイズに対応

  キー内容が Remap等でカスタマイズ可能な社畜のキーボード「新入社員の同期」を 3500円で購入




[HOME] | [BACK]
リンクフリー(連絡不要、ただしトップページ以外は Web構成の変更で移動する場合があります)
Copyright (c) 2021 FREE WING,Y.Sakamoto
Powered by 猫屋敷工房 & HTML Generator

http://www.neko.ne.jp/~freewing/hardware/qmk_firmware_test_matrix_keyboard/